Vw Bug Wiring

Vw Bug Wiring. Web having a 69 vw bug wiring diagram is essential if you’re planning to do any work on the electrical system of your vehicle. Main wiring harness fits 65 66 bug classic.

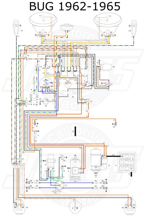
1968 Vw Bug Wiring Diagram
1968 Vw Bug Wiring Diagram from schematron.org

You're currently reading page 1; Web in this post we discuss the wiring options for doing a subaru powered car like a race car, porsche, bug, vanagon, buggy, etc. Web with the 1965 vw beetle wiring diagram at your fingertips, there's nothing standing between you and the open road.

Certain Circuits On Classic Aircooled Vw’s Work On A Reverse Live Circuit, The Most Troublesome Is The Oil Pressure, Alternator/ Generator.


Web using the 1969 vw bug wiring diagram. Our wiring harness kits include detailed installation instructions and color coded wires. To make sure the wires don't get.

Web Vw Bug Wiring Harnesses With Complete Wiring Diagrams.


From diagnosing problems to installing new. And maybe a little extra.***aircooled.net carries wiring harnesses by wir. Web wire size conversion table (mm to usa awg) the numbers used in vw wiring diagrams are the cross sectional area of the wires in millimeters (mm) squared (left column below).

Web The 1970 Volkswagen Beetle Wiring Diagram Is No Exception.


Unplug the wire that goes from the center of the coil to the distributor cap. Web having a 69 vw bug wiring diagram is essential if you’re planning to do any work on the electrical system of your vehicle. Web jw classic vw brings you some vw bug electrical troubleshooting and horn install.

To Use The 1969 Vw Bug Wiring Diagram, You Will Need To Familiarize Yourself With The Symbols And Lines Used.


Web in this post we discuss the wiring options for doing a subaru powered car like a race car, porsche, bug, vanagon, buggy, etc. Web 71 rows from the german volkswagen instruction book by ford clymer: In order to better serve our customers we have.

Web We Have Created Colored Wiring Diagrams For Your Convenience.


Main wiring harness fits 65 66 bug classic. Web with the 1965 vw beetle wiring diagram at your fingertips, there's nothing standing between you and the open road. These are usually labeled with letters and.